怀化市杨村组团C-3-01、C-3-02地块控规修改方案公示

发布时间:2018-07-17 07:58 信息来源: 市规划局

依据《中华人民共和国城乡规划法》、《建设用地容积率管理办法》、《怀化市城市规划区建设用地容积率调整管理规定》等法律法规的要求,现对杨村组团C-3-01C-3-02地块控规修改方案进行公示,公开征求相邻利害关系人意见和建议。

 1、基本情况

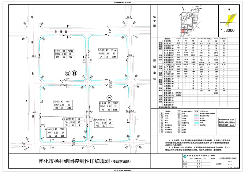
本次控规修改地块总用地面积129090平方米(193.64亩),净用地面积101032平方米(151.54亩)。项目位于杨村组团原控规的C-3-01C-3-02地块内,北临刘塘路,西侧临环城东路,东侧靠近城市次干道,南侧靠城市支路,交通便利,区位优势明显。

2、修改方案

此次修改涉及杨村组团的C-3-01C-3-02地块,在考虑权属、项目红线范围和地块的原则下,拟取消地块内的支路,将C-3-01C-3-02地块整合为C-3-01地块。则整合后地块指标如下:容积率由≤3.0和≤1.8修改为≤3.5;建筑密度由≤30%修改为≤25%;原C-3-02地块建筑限高由24米修改为100米。

路网修改(1)取消地块内部南北向控规支路;(2)刘塘路结合路网规划进行局部修改。

3.审定修改意见:会议原则同意该方案。

公示日期:2018717日—2018715日,共计30天。

如有意见和建议:联系电话0745-2718772

修改主要内容(具体见附图)

修改前图则:



 

修改后图则:

 


扫一扫,在手机打开当前页面